Irakli Simonia
Abastumani Astrophysical Observatory, and International
Association Astroarchaeocaucasus, Georgia
Astronomical Archives and Historic Transits of Venus – Journal of Astronomical Data (2004).
υ
Tradução:
César Augusto – Astrólogo
φ
Resumo
Uma visão geral dos manuscritos astronômicos da Geórgia (საქართველო) é aqui fornecida, e o conteúdo de alguns, datados dos séculos XII ao XIX, é apresentado. Uma tradução parcial e comentário do manuscrito A883, intitulado Cosmos, datado do século XVIII, é também apresentada.
1. Introdução
Este conjunto de manuscritos astronômicos georgianos é um dos mais impressionantes testemunhos da evolução da visão de mundo astronômica na Geórgia, uma evidência do desenvolvimento da abordagem científica, num portador de informações astronômicas, que chegaram até nós através da história secular da Geórgia. Aqueles séculos difíceis trouxeram à tona milhares de causas e motivos que poderiam apagar ou remeter ao esquecimento o material científico único. Isso pode ter acontecido com muitos manuscritos antigos georgianos. No entanto, museus, institutos de pesquisa, bibliotecas na Geórgia, França, Rússia, Grécia e outros países europeus, e bibliotecas e arquivos em países orientais abrigaram centenas de antigos manuscritos astronômicos e astrológicos georgianos, escritos no antigo alfabeto georgiano Asomtavruli (usado nos séculos V e X), e Nuskhuri (séculos XI a XVII) bem como Mkhedruli (usado desde o XVIII século até os nossos dias). Normalmente, o termo Khutsuri, de acordo com os comentários que ocorrem com frequência para manuscritos georgianos, implica dois alfabetos georgianos – Asomtavruli e Nuskhuri.
2. Manuscritos Astronômicos
Os manuscritos astronômicos contêm descrições de fenômenos celestes, do Sol, da Lua e dos planetas, sistemas de calendário, observação e métodos de cálculo e outros tipos de informações. Muitos manuscritos também dão a descrição do clima e das estações do ano, certos pontos geográficos e menciona nomes de astrônomos e filósofos. Uma parte deste complexo de manuscritos é claramente de natureza astrológica, dedicada a profetizar as fortunas humanas de acordo com as posições dos corpos celestes e seus fenômenos celestiais. Essa camada de conhecimento e informação histórico-científico tem sido pouco estudada e na verdade permanece desconhecida para o mundo ocidental. Vale a pena mencionar aqui o trabalho de Chagunava (1990) Vakhtang Bagrationi’s Activities in Natural Sciences, em que o autor analisou vários manuscritos georgianos antigos. Vakhtang VI Bagrationi (1675–1737) foi um rei georgiano, líder militar e cientista.
Ele manteve estreitos contatos científicos e culturais com os países dos mundos ocidentais e orientais, a Geórgia com sua antiga cultura original e tradição científica absorveu elementos das culturas orientais e das conquistas da Europa Ocidental. Desta forma, uma liga única de culturas georgianas, orientais e ocidentais foi formada e refletida nos manuscritos georgianos, nesses “espelhos” histórico-astronômicos.
Os antigos manuscritos astronômicos georgianos são genuinamente georgianos, tais como os persas, os gregos e de outros lugares, as pessoas e termos são todos escritos em georgiano; todos os nomes ou termos não georgianos são transliterados em caracteres do alfabeto georgiano. Por outro lado, antigos manuscritos astronômicos georgianos compreende material científico puramente georgianos. Lendo suas páginas pode-se facilmente sentir a beleza da língua e a visão de mundo tradicional do autor ou tradutor georgianos. Há muitos anos, os manuscritos astronômicos georgianos costumavam ser objeto de estudo apenas para filólogos e linguistas, tanto georgianos e estrangeiros, permanecendo seu aspecto científico e seu significado um tanto negligenciado. Agora que nações e culturas estão se misturando e trocando informações, chegou a hora de mudar essa prática: permitindo que os filólogos continuem admirando a beleza da língua, é nossa tarefa revelar os aspectos astronômicos dos velhos manuscritos georgianos para historiadores e astrônomos atuais. Achamos essencial criar um dicionário georgiano-inglês de informações histórico-astronômicas de termos e nomes com suas transcrições, um projeto que exigirá grandes esforços. Outra contribuição útil seria a publicação de traduções em inglês ou francês de alguns dos mais importantes manuscritos astronômicos georgianos com notas explicativas, comentários e glossários.
É importante determinar o número total de manuscritos escritos por autores georgianos, o número daqueles traduzidos de outras línguas e o número de manuscritos variados. Esta é uma tarefa multilateral e demorada, uma vez que muitos dos manuscritos foram copiados e recopiados muitas vezes. Esperamos que esta tarefa seja abordada no futuro.
γ
- Figure 1. Astronomical manuscript A883, pages 18 and 19.
- Figure 2. Astronomical Manuscript A883, pages 30 and 31.
- Figure 3. Astronomical manuscript A883, pages 32 and 33.
Vamos agora considerar distintos manuscritos antigos astronômicos georgianos. As descrições que contêm nossa abordagem e pontos de vista variam a cada volume, portanto, – algumas serão breves, outras mais extensas. Os manuscritos astronômicos georgianos antigos são mantidos no Centro de Pesquisa Instituto de Manuscritos da Academia de Ciências da Geórgia. O primeiro catálogo de manuscritos astronômicos georgianos foi preparado por Kevanishvili; o original é agora mantido no Departamento de Astronomia da Universidade Estadual de Tbilisi.
Detenhamo-nos agora na descrição de alguns manuscritos mencionados no catálogo do Dr. Kevanishvili. O número A24 é um manuscrito Khutsuri do século XII d.C., e assinado por Efrem Mtsire, um filólogo georgiano, filósofo e tradutor, que viveu por volta da virada do século XI ao século XII. Sua página 58 apresenta 12 constelações zodiacais. O manuscrito contém dois livros escritos por Ioanne Damaskeli (Ioannes Damaskenos) sob o título Legends. O número A442 é um manuscrito Khutsuri de 75 páginas do século XV, contendo um calendário de 1º de setembro a 31 de agosto. O número A684 é um manuscrito Khutsuri do século XI. O manuscrito compreende vários capítulos, um com o título About the World. O manuscrito Khutsuri A718 do século XIV dá descrições dos dias lunares.
O manuscrito Mkhedruli A889 escrito no final do século XVIII ou início século XIX dá descrições da passagem da Lua através das constelações, definindo o zodíaco, identificando constelações pelas estrelas, dando a entrada do Sol nas constelações e o aparecimento e desaparecimento da Lua. Outro manuscrito Mkhedruli, H503, datado de 1808, dá descrições da Lua e das estrelas, bem como efemérides. O manuscrito Mkhedruli S5237 do século XIX descreve a ciência do Sol e da Lua.
Esta é apenas uma pequena parte das informações contidas no catálogo do Dr. Kevanishvili. Suas descrições são um tanto irregulares e, ocasionalmente, bastante desordenadas. Tentamos manter o estilo do autor, tanto nos termos e frases completas. Dificilmente é possível julgar a precisão da descrição catalogada dos manuscritos listados acima sem realmente lê-los. Portanto, o catálogo pode ser considerado apenas como a primeira aproximação de um grande catálogo unificado de manuscritos astronômicos georgianos que devem ser criados por esforços coletivos. O que torna o catálogo do Dr. Kevanishvili particularmente valioso é que é o primeiro código regular de informações sobre manuscritos astronômicos georgianos. Entre os manuscritos listados acima, há obras originais de autores georgianos, bem como traduções. Infelizmente, eles não foram estudados por seu significado astronômico; alguns deles estão em péssimas condições e precisam ser copiados e restaurados para as futuras gerações de pesquisadores.
3. Manuscrito Astronômico A883

A Georgian astronomy manuscript that dates back to the 12th Century.
Vamos discutir em detalhes o manuscrito Mkhedruli A883 do século XVIII, catalogado sob o título Cosmos. É composto por 42 páginas e está dividido em capítulos. O primeiro capítulo chama-se Sobre os Céus: em que medida os céus existem, de que são feitos e por qual ordem. Na primeira página o texto começa com:
“O Criador construiu este mundo com Sua sabedoria e poder. E Ele tornou o Mundo visível… Para criar o Mundo Ele usou quatro matérias – o fogo, o vento, a água e a terra. Essas são a base de tudo e de cada um de seus opostos. Dessas materiais Ele criou prados e feras. E nenhum outro material era mais pesado do que a terra, mais fluido do que a água; nenhum outro material era mais móvel do que o ar (vento), nenhum outro material era mais brilhante do que o fogo”.
Tentamos aqui fazer uma tradução, o mais próxima possível do texto original, embora seja uma tarefa bastante difícil. O escritor anônimo descreve, em primeiro lugar, os primeiros passos da criação do Universo. Existem alguns termos intercambiáveis usados no texto, por exemplo, o vento é substituído pela palavra ar como sinônimo. O outro que vale a pena notar é que o autor se refere à oposição de diferentes formas da matéria. Isso é uma referência a fontes anteriores ou o autor desconhecido percebe as diferenças na natureza física dessas formas da matéria? Essa maneira de interpretar as coisas era bastante comum no século XVIII, no entanto.
Na segunda página do manuscrito, lemos:
“E o Grande Profeta Moisés disse: Ele criou uma base para o Céu e para o mundo. O Céu apresenta dois domínios – o fogo e o ar; e o mundo é feito de duas matérias – a terra e a água. E enquanto Ele criou esses quatro domínios, a arte de Sua sabedoria mostrou-se colocando, a terra mais pesada abaixo, e colocando a água sobre a terra, e pondo o ar que era mais leve que a água, acima da água, e colocando o fogo que era mais leve que o ar, acima do ar, com a umidade observável no próprio ar.”
O Capítulo 2 do manuscrito começa na página 5 e tem o título Sobre um segundo céu e sobre seu movimento. O autor continuou com a descrição do processo de criação do mundo referindo-se à Bíblia, de uma forma a simplificar e abreviar o texto.
Capítulo 7 Sobre o céu aéreo e do que é feito os Luminares iniciadas na página 17. O autor anônimo escreve:
“Como diz a Bíblia Sagrada, Deus fez luzes (Luminares) e colocou-os no céu para iluminar a terra. O céu aéreo é dividido em 8 partes, 7 das quais são chamadas planetas e a oitava é a esfera dos planetas. Aqueles que são planetas são chamados de sete circunferências, sete cinturões, sete céus. Para cada planeta há um céu. E os planetas são listados do mais alto para o mais baixo: Zokhal, Mushtar, Marikh, Shems, Zokhre, Otarid e Kamaz. Esses nomes são persas. Para os georgianos são Kronos, Dia, Area, Mze, Tsiskari, Ermi e Mtovare. O quarto, quinto e ´sétimo são nomes georgianos; os outros estão em um idioma diferente. E aquilo que é chamado de esfera dos planetas e que é um planeta-esfera em si, tem um rosto de 12 bestas. O céu tem 12 partes. Cada animal tem seu lugar no céu”.
Depois, o autor continua a nomear as constelações zodiacais dando a cada uma delas um número e um país. A lista de países inclui tanto os orientais quanto os ocidentais. Por exemplo, “Sagitário tem coxas grossas e seu país é a Itália, Capricórnio tem dois joelhos e seu país é Asurastan (Síria), Aquário tem sumo e seu país é o Egito, Peixes tem duas pernas e o país é a Índia.” A constelação de Gêmeos não tinha país e o nome era seguido por um espaço livre e uma vírgula. A Figura 1 mostra as páginas 18–19 do manuscrito com os nomes de planetas e constelações com os respectivos países. As páginas neste manuscrito são letras. O escritor continua:
“e há 12 animais no céu e 12 meses em um ano, e cada animal tem 30 graus que são 30 dias de um mês. O Céu tem 360 graus que são 360 dias do ano, e mais 5 dias adicionais aparecem como pequenas frações de outra cronologia”.
Além disso, o escritor descreve o sistema de calendário, dividindo o tempo em séculos. Ressalte-se que o autor utiliza a linguagem oriental, grega e georgiana para os Luminares. Muitos nomes estrangeiros adquiriram um ‘tom’ georgiano, obviamente, devido ao seu uso fragmentário durante um longo período de tempo. O autor usa 3 nomes que são puramente georgianos: Mze – o Sol, Mtovare – a Lua, Tsiskari – Vênus. As questões da origem dos nomes georgianos e a adaptação de nomes estrangeiros na língua Georgiana foi analisada por Simonia e Simonia.
Vale a pena notar que o autor colocou os corpos celestes em um certa ordem, de Saturno o mais distante ao mais próximo de nós, a Lua. E o que o autor esperava para seguir a Lua? – Era certamente a Terra. Aqui temos uma clara atitude geocêntrica do mundo do autor. No século XVIII? Foi o geocentrismo georgiano tardio?…
O Capítulo 8 começa na página 20: Como a Esfera Celestial se Move ao Girar e como o Sol, a Lua e as Estrelas se Movem? O autor escreve:
“o que é esse movimento do Céu; a que horas será erguida a metade do rosto da besta; esta meia face é de 15º grau, e 5 graus é igual a uma ordem que é igual a uma hora. E quando o rosto cheio da besta se erguer, 2 ordens do dia irão se passar.”
Deve-se mencionar aqui que o autor usou o termo tsvai, que pode ser traduzido para o inglês como ‘share’, ‘order’, ‘quarter’.
Em seguida, o escritor dá um exemplo localizando o Sol na constelação de Áries (primavera). Ele descreve o movimento das constelações zodiacais constelações no céu, por exemplo, como Áries poderia, durante um certo período de tempo ficar atrás do horizonte no Ocidente, como ele se posiciona, no hemisfério interior, na página 22, encontramos uma descrição da repetição do nascer e do pôr das constelações, do Sol, da Lua e das estrelas.
A página 22 abre com o Capítulo 9: Que Exemplos Evidentes de que o Sol e outros Luminares se movem do Leste. O texto corre:
“Você também deve saber que o Céu gira do Leste a Oeste enquanto o Sol e a Lua e as estrelas movem-se do oeste para o leste, e seus raios cairão para o sul.”
Além disso, o autor descreve em termos gerais o fenômeno da culminação dos corpos celestes. Com algumas falhas, porém, ele toca sobre o movimento anual do Sol e de outros corpos, dando mais exemplos, esclarecendo o movimento diurno e o movimento anual dos corpos celestes, exemplos que se referem à vida de pessoas e animais. O escritor continua: Você também deve saber que quando a Lua é nova, ela se moverá no Sol e aparecerá no Ocidente. Dia após dia, virada ao Leste, ela se moverá e quando fizer 12 dias, ficará fraca e aparecera no Oriente. Aparentemente, o autor está tentando descrever as fases lunares. Mais adiante no texto, o escritor se refere à rotação da Terra em torno de seu eixo. Então, novamente, ele volta para o movimento anual do Sol através das constelações zodiacais, dando alguns dos nomes delas.
Analisando o texto do manuscrito, pode-se chegar a uma conclusão dupla, ou seja, que o material foi colocado de forma um tanto irregular e inconsistente, embora, por outro lado, o autor foi claramente consciente da essência dos fenômenos que ele estava descrevendo. Aqui surge a questão de saber se o autor do manuscrito obteve esse conhecimento de seu experiência e observações pessoais, ou se ele apenas compilados, resultados e teorias de outros cientistas. Ele parece ter possuía um conhecimento regular de astronomia que ele havia adquirido de fontes contemporâneas. Ao mesmo tempo, ele pode ter acumulado sua própria experiência bastante rica de um observador.
A página 25 começa com o Capítulo 10, Sobre as quatro partes de um ano. O texto do capítulo diz:
“Há outro movimento de transição dos Luminares que desce do Norte para o Sul e sobe do Sul para o Norte e dá origem às quatro secções de um ano – primavera e verão, outono e inverno. Tem quatro lados: Leste e Oeste, Norte e Sul. É sábio os homens dividiram o mundo em 12 partes.
Quando o Sol entra em Áries e quando Libra aparece em oposição a Áries no Ocidente, dia e noite se tornarão iguais e a primavera se estabelecerá. Depois disso, todos os dias crescerão em uma parte. E o Sol nascerá voltado para o Norte. E o Sol passará pelos rostos das feras – Áries, Touro, Gêmeos enquanto será a primavera. Quando chega a primavera, mudas e plantas ganham vida, as pessoas ficam lindas, flores desabrocham e pássaros nascem. E depois que o Sol move-se para o Norte, através das faces das três feras, o tempo da primavera termina, e o Sol entrará Câncer e tempo do verão começará.”
Poderíamos ter reformulado estilisticamente a tradução da narrativa do autor anônimo, mas consideramos o manuscrito como um documento histórico-científico e damos uma tradução mais ou menos literal, mantendo sua aspereza e inconsistência. As ideias do autor são bastante claras. Apesar de alguma falta de perfeição, elas revelam a compreensão das razões para as mudanças anuais da altitude do Sol acima do horizonte, de acordo com seu movimento eclíptico.
O Capítulo 11 se chama Sobre Sete Faixas que são faladas como Sete Mundos, e elas são chamados de Sete Céus. Nós lemos:
“Esses sete céus são os locais destes sete planetas. Esses sete planetas são Zokhali, Mushtari, Marikhi, Shamsi, Zokhrai, Otaridi, Kamari…A primeira faixa é Mtovare, que é chamado Silinus pelos Helenos, Luna pelos Romanos, Kamar pelos Turcos, Lusin pelos Haoses e não fica longe do mundo das estrelas, e o grau de seu movimento é estreito e curto. Sua esfera é pequena e passa duas horas em cada grau, diminuindo em uma quarta parte, e gasta dois anos e meio na face de cada besta, e completa todo o Céu dentro de 29 dias e meio, então recebe um novo nascimento e tudo recomeça”.
Vemos que o autor dá nomes diferentes à Lua, desde Mtovare em georgiano para Lusin na língua dos Haoses (armênios). Ele também descreve o movimento lunar, e define com precisão período. O autor continua:
“A segunda faixa que está acima da Lua é chamada Failatsu pelo povo Haos, Irmi pelos Helenos, Mergurush pelo povo Dálmata, Otarid pelos Turcos. Este Luminar completa sua órbita em 10 meses. A terceira faixa é Lusabir para os Haoses, Tsiskari para os Georgianos, Aphroditi para os Helenos, Venusveiro para os Romanos e Zokhra pelos Turcos; e este Luminar completa sua órbita em 10 meses. A quarta faixa é chamado de Mze pelos Georgianos, Sola pelos Romanos, Origav pelos Haoses, Ilinus pelos Helenos, Shams pelos Turcos. Este Luminar gasta 30 dias na face de cada besta. A quinta faixa é chamada Khrat pelos Haoes, Area pelos Helenos, Marush pelos Romanos, Marikh pelos Turcos. Este Luminar fica na face de cada fera por 40 dias. A sexta chama-se Lusintag pelos Haoses, Zevs pelos Helenos, Júpiter pelos Romanos, Mushtar pelos Turcos. Este Luminar fica em cada grau por 12 dias. A sétima é a mais alta; os Haoses referem-se a ele como Irivak, os Helenos como Cronos, os Romanos como Saturno e os Turcos como Zokhal. Este Luminar fica em cada grau por 30 dias, e passará pelos rostos de todos 12 bestas em 30 anos.”
As Figuras 2 e 3 mostram as páginas 30, 31 e 32, 33, respectivamente. Este é, atualmente, o Capítulo 11 completo do manuscrito.

Mosteiro de Mtskheta Jvari
Uma análise da seção do texto acima mencionado revela o razoável conhecimento das realizações astronômicas em diferentes países estrangeiros. Ele mencionou Georgianos, Helenos, Romanos, Haoses, Dálmatas, Turcos, o que significa que ele estudou fontes astronômicas em diferentes idiomas, como Grego, Turco e outros. Isso é evidência de sua boa educação geral, em particular, sua formação de alto nível em astronomia. No entanto, existem algumas falhas na definição de períodos de rotação de alguns corpos celestes. Foram erros nas fontes ou seus próprios erros em algumas medições? – Dificilmente é possível responder a esta pergunta no momento.
O autor dá um período errado da revolução de Mercúrio. O período da rotação de Vênus foi dado com um erro menor (queremos dizer em seu período sideral). No entanto, o autor estava correto ao dar o período de rotação do Sol através das constelações zodiacais. E de novo, um grande erro foi cometido no período da rotação de Marte.
Assumindo que o termo “grau” implicava 1,01 graus angulares, o período de rotação de Júpiter será igual a 4277,2 dias terrestres. Este valor é bastante próximo ao do verdadeiro período sinódico do planeta. O autor foi bastante preciso, também, ao dar o período da rotação de Saturno. Nossa suposição de que cada grau é igual a 1,01 está correta, que é confirmada pelo autor do manuscrito quando afirma para Saturno “30 dias em um grau”. Cálculo baseado na suposição de 1 grau sendo na verdade 1,01, resulta no número 10693, ou seja, 29,3 anos. A pequena diferença entre o valor 29,3 derivado do suposição do autor e o valor 30 citado por ele em outro lugar pode ser o resultado de alguns erros nos cálculos, ou o uso de dados de duas fontes diferentes, por exemplo, um manuscrito mais antigo e seus próprios cálculos.
Após o Capítulo 11, o conteúdo do manuscrito altera um pouco, sua narração mudando de um estilo esquemático, passo a passo, para um mais generalizado. O autor prossegue considerando o caráter cíclico dos fenômenos naturais, embora sem seus aspectos agronômicos, mas com os climáticos. A narração em si soa mais como uma palestra sobre natureza. Vale ressaltar que nesta parte do manuscrito o escritor, referindo-se aos corpos celestes, deixou de usar o termo georgiano mnatobi que significa luminar, que foi usado nos Capítulos 1 ao 11, mas outra palavra georgiana, varskvlavi, que significa estrela. Parece que o autor se refere a outras fontes literárias ao escrever esta parte do o manuscrito. Os Capítulos 12 a 22 são dedicados às descrições de mudanças no clima ao longo de um ano, ao vento, neblina e outros fenômenos. O escritor descreve o arco-íris, com uma percepção geral de sua natureza. Ele tenta descrever a aparência de um meteoro e alguns outros eventos. De modo geral, essa parte do manuscrito é de caráter um tanto ambíguo. Por um lado, alguns eventos são tratados corretamente do ponto de vista físico; outros fenômenos variados são mal interpretados. Por exemplo, no descrição da tempestade, ele nem suspeita que a luz e o som se move em diferentes velocidades.
O texto do manuscrito não contém descrições matemáticas de fenômenos naturais, nem gráficos e desenhos. É mais de um caráter descritivo, narrativo. Nem a primeira nem a última página do manuscrito revela o nome do autor ou do escritor. Considerando o conteúdo e o estilo do manuscrito, parece ser uma breve manual ou livro de texto sobre cosmografia elementar. Qualquer um que possua um nível intermediário ou respectivo conhecimento poderia estudar o material e aplicá-lo na prática. O conteúdo do manuscrito parece ter sido concebido para estudiosos de graus intermediários do clerical ou de escolas seculares. O estilo da narrativa, o nível de interpretação dos eventos naturais, a lista dos países citados e o fato de que o escritor usou o alfabeto Mkhedruli, bem como caracteres do antigo alfabeto Asomtavruli, tudo aponta fortemente para o século XVIII como origem deste manuscrito. Naquela época, sem dispositivos técnicos para fazer cópias, reescrever materiais históricos e histórico-científicos era a única maneira possível de preservá-los. Eles foram copiados novamente e novamente, ano após ano, século após século. Esta é a maneira como muitos documentos históricos e científicos antigos da Geórgia chegaram até nós. E aqui o crédito vai para cientistas e filósofos, bem como para numerosos clérigos que estavam copiando para nós antigos manuscritos georgianos e documentos. Eles pareciam cuidar da história da ciência e história da religião, percebendo a importância de transmitir a herança de conhecimento, habilidades, ideias para as gerações futuras. Se as considerações acimas estiverem corretas, esta cópia do século XVIII pode estar baseada em um manuscrito georgiano original dos séculos XI a XVI, e este fato nos permite concluir o quebra-cabeça do tardio geocentrismo georgiano.
No que diz respeito à datação do manuscrito original plausível, dois pontos devem ser mencionados: (a) o alfabeto Mkhedruli usado no documento indica, sem dúvida, a origem de sua composição no século XVIII ; e (b) o copista desta cosmografia elementar nunca usou o nomes georgianos antigos dos Luminares: Jimagi (Mercúrio), Mtiebi (Vênus), Tarkhoni (Marte), Obi (Júpiter), Morige (Saturno). Esses antigos nomes georgianos foram usados tanto em partes ocidentais e orientais da Geórgia até o século III d.C. Os itens (a) e (b) podem servir como indicadores adicionais no processo de datação exata desta cosmografia elementar. O conteúdo científico e o estilo de narração sugerem que o original pertencia ao período médio do processo de formação da visão de mundo astronômica georgiana. Uma correta datação do texto original é uma tarefa complicada que exige mais investigação.
A análise da “Cosmografia Elementar” certamente não está concluída. O documento deveria ser comparado com documentos e fontes estrangeiras semelhantes. Em suma, será necessário muito esforço, mas o primeiro passo foi dado, e agradecemos quaisquer ideias, perguntas e contra-argumentos.
Agradecimentos
O autor gostaria de expressar sua gratidão ao Dr. Wayne Orchiston e Dr. Suzanne Débarbat pelo suporte permitindo-lhe contribuir com o relatório para a Assembleia Geral da IAU. O autor também agradece ao Dr. Raul Chagunava pelas frutíferas discussões.
Referências
Chagunava, R. 1990. Vakhtang Bagrationi’s Activities in Natural Sciences (Fields of Natural Studies and Technique), Tbilisi.
Kevanishvili, G. 1951. Catalogue of Georgian Astronomical Manuscripts. [Compiled in 1951 and housed at the Department of Astronomy, Tbilisi University].
Machavariani, E. 1984. Nuskhuri, Georgian Encyclopedia, 7, p. 488.
Simonia, I. 2001. Little known aspects of the history of Georgian astronomy. JAHH 4 (1), p. 59.
Simonia, I., Simonia, Ts., 1994. The East and The West and Astronomy in Georgia. Procs. International Symp. 1992, Frombork, Poland.
Ω

‘Nekresi Fire Temple’
Uma Investigação Astronômica do Templo do Fogo de 1700 anos em Nekresi na parte Oriental da Geórgia
Irakli Simonia
Faculty of Physics and Mathematics, Ilia Chavchavadze State University, Georgia, and Centre for Astronomy, James Cook University, Townsville.
Clive Ruggles
School of Archaeological Studies, University of Leicester, University Road.
Nodar Bakhtadze
Georgian National Museum, Tbilisi, Georgia.
υ
Tradução:
César Augusto – Astrólogo
φ
Resumo:
O Templo do Fogo de Nekresi é um sítio arqueológico do segundo ao terceiro século d.C. no leste da Geórgia que foi escavado por arqueólogos no final do século XX. Em 2004, realizamos uma investigação arqueoastronômica deste local, que indicou que ele era usado para observações astronômicas. Nós agora sugerimos que esta estrutura deve ser renomeada como ‘Templo do Sol Nekresi’.
1. Introdução
As ideias cosmológicas de populações antigas são refletidas em diferentes aspectos de sua herança cultural, incluindo arquitetura, artefatos, folclore e registros escritos. Monumentos pré-históricos, lendas e mitos conta-nos como os povos antigos respondiam à regularidade e a recorrência de fenômenos celestes e a diversidade do brilho dos diferentes corpos celestiais. Ideias e atividades cosmológicas estavam frequentemente ligadas às noções religiosas e e frequentemente a rituais e cerimônias que desempenhavam uma importante função no acúmulo de conhecimento sobre o Sol, a Lua e as estrelas. Os povos antigos costumavam usar esse conhecimento e experiência para se orientarem no tempo e no espaço. Certo conhecimento foi materializado, manifestando-se em mecanismos de pedra, templos e santuários, em conjuntos arquitetônicos que serviam a propósitos ritualísticos, onde os deuses eram adorados e observações astronômicas eram feitas. Esses simples ‘observatórios astronômicos’ foram descobertos em muitos diferentes países.
Uma dessas nações é a Geórgia, um antigo país ao lado do Mar Negro. Ao longo dos séculos, o povo da Geórgia criou e desenvolveu sua própria linguagem, literatura, música e arquitetura. Várias ciências também floresceram, incluindo astronomia e matemática. Simonia e Simonia e Simonia delinearam as principais etapas da desenvolvimento da antiga “visão de mundo” astronômico georgiano entre o século XVI a.C. e o século XVIII d.C., e o simbolismo etno-cosmológico de certos artefatos da Idade do Bronze. Em particular, eles mostram que os antigos Georgianos tinham um profundo interesse nos corpos celestes e nos fenômenos astronômicos, como se reflete em diferentes artefatos e nos vestígios dos edifícios de pedra encontrados durante escavações.
Na última década do século XX, uma expedição do Museu Nacional da Geórgia realizou escavações arqueológicas em Kakheti, no leste Geórgia, onde foram descobertas as ruínas da antiga cidade de Nekresi. Entre as ruínas de Nekresi um complexo predial foi identificado como um templo. Neste artigo discutimos as características arqueológicas do Templo do Fogo de Nekresi e também examinamos seu significado astronômico.
2. A Investigação Arqueológica Inicial do Templo Nekresi
A primeira estrutura em Nekresi investigada pelos arqueólogos foi a fundação de pedra de um edifício de culto, que foi identificado como o ‘Templo do Fogo de Nekresi’. O objetivo da escavação arqueológica foi determinar as peculiaridades estruturais deste antigo templo e preservar o que restou dele. O templo foi localizado em um campo no sopé da colina Nazvrevi (Figura 1), e Chilashvili observou que na própria colina havia outra estrutura semelhante a um templo que pode ter sido associada com o Templo do Fogo de Nekresi.
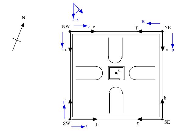
As paredes e fundações do Templo do Fogo de Nekresi consistia em paralelepípedos com argamassa e pedras quebradas (Figura 2), mas na camada superior do tijolos planos de construção foram encontrados. O design do templo era complexo. No centro havia um edifício quase quadrado de 76m², em torno do qual haviam quatro edifícios em forma de cruz (ver Figura 3).
Durante as escavações arqueológicas foi descoberta no canto sudoeste do edifício central uma área quadrada de argila, medindo aproximadamente 4,5m² e contendo vestígios de fogo, no canto sudoeste do edifício central (daí o nome, ‘Templo do Fogo de Nekresi’). Em outros lugares, o piso do edifício central consistia em alvenaria. O leste edifício tinha uma entrada na parede oriental, e ambos os lados dessa extensão foram um corredor e um depósito. Da mesma forma, o edifício ocidental tinha uma entrada na parede ocidental. O comprimento deste edifício ocidental era de 9,5m e as paredes tinham 1,5m de espessura. Os edifícios orientais e ocidentais eram quase iguais em área, e só diferiram nos detalhes de sua construção. Os edifícios do norte e do sul que saíam do edifício central também foram cercados por corredores e depósitos. O edifício central, os quatros edifícios ao norte, sul, leste e oeste, e seus corredores e depósitos associados eram todos cercados por uma parede, todo o complexo media ~50m × 50m.
Os seguintes fatos parecem ser importantes: as paredes do complexo do templo foram construídas de grandes pedras e argamassa, a espessura das paredes média 1,5m; a largura das portas foi, em média, também 1,5m; e o acesso a qualquer um dos quartos do complexo era possível através de portas nos corredores externos.
Durante as escavações cerâmicas em forma de pequenos cacos vermelhos e brancos e fragmentos de jarros foram encontrados, e esses e outros artefatos datados dos séculos II, III e IV d.C. A datação de radiocarbono do carvão desde a porta de entrada para o templo revelou que o complexo foi destruído no século V d.C.
Com base no acúmulo de evidências, Chilashvili concluiu que este sítio arqueológico é o resto de um templo onde os rituais associados a adoração do fogo eram realizados, e ele apelidou de ‘Templo do Fogo de Nekresi’. A principal “área de atração” era o edifício quadrado centralmente posicionado com seu altar, que servia de santuário para os adoradores do fogo durante suas cerimônias.
Perto do Templo do Fogo Chilashvili descobriu outras ruínas e artefatos de várias idades, alguns dos quais também atribuiu funções ao culto associado à adoração do Sol. Ele observou que esses edifícios pareciam para estar alinhados com o ponto do nascer do Sol no dia do Solstício de Verão, e que eles se desviavam para a direção norte para leste em cerca de 30º. Ele também observou que há uma tendência para dos edifícios mais velhos serem orientados para o norte. É importante ressaltar, no entanto, que todas essas conclusões foram baseadas em orientações estimadas e em medidas pesquisadas. Com base nisso, o Templo do Fogo de Nekresi é claramente um excelente candidato para uma detalhada investigação arqueoastronômica.
3. O Papel Astronômico de Nekresi Templo do Fogo

No outono de 2004 começamos a estudar os parâmetros arqueoastronômicos do Templo do Fogo de Nekresi. Essas investigações foram realizadas em três etapas: trabalho de campo, seguido do processamento dos dados observacionais e, por fim, a interpretação teórica o complexo.
O trabalho de campo incluiu:
1. Exame visual do Templo do Fogo de Nekresi para determinar as características arquitetônicas e particularidades geométricas da construção.
2. Determinação das coordenadas geográficas exatas e orientação dos principais elementos estruturais do Templo.
3. Anotação das características da paisagem envolvente, incluindo a altura das colinas e os seus azimutes.
4. Observação do nascer do Sol nos principais elementos da estrutura do Templo.
Durante o trabalho de campo utilizamos clinômetros, um bússola eletrônica, GPS, câmeras digitais e outros instrumentos, e tiramos uma série de fotografias do Templo e a paisagem circundante, a fim de criar um catálogo de fotos.
O exame visual do templo confirmou a complexidade de sua construção e o propósito de sua multifuncionalidade, incluindo as associações rituais. A simetria espelhada aproximada dos principais elementos estruturais – as quatro salas fora da sala central – em nossa opinião, sugerem que observações regulares de corpos e fenômenos (como o nascer e o pôr do Sol, o ascensão heliacal das estrelas e a culminação da Lua) poderiam ter sido realizadas a partir dessas salas (Figura 4). Nossas medidas da orientação do nordeste (NE), sudeste (SE), noroeste (NW) e sudoeste (SW) dos pontos desses elementos estruturais e da sala central estão listados nas Tabelas 1 e 2. A orientação dos elementos estruturais da construção também foi determinada, e algumas características da paisagem circundante que pode ter servido de pontos de orientação para quem observa do Templo também foram registradas. Deve-se notar também que as colinas ao redor do Templo do Fogo de Nekresi não foram completamente estudadas arqueologicamente, embora artefatos e edifícios de várias idades foram descobertos em alguns deles. Assim, os azimutes, alturas e distâncias para vários elementos da paisagem foram medidos.
Também observamos o nascer do Sol do interior do sala oriental e do santuário central. Nossas observações mostraram que os primeiros raios da ascensão do Sol iluminaram apenas algumas áreas destes dois quartos, então um pouco mais tarde, todo o Templo do Fogo estava totalmente iluminado pelo Sol. As peculiaridades da iluminação do Templo do Fogo no momento do nascer do Sol estão conectadas com a paisagem natural da direção leste. E não podemos excluir a possibilidade de que esta paisagem possa ter sofrido mudanças naturais (por exemplo, através da erosão) nos últimos mil anos mais ou menos. Também deve se notar que a paisagem (ou seja, colinas e outeiros) ao redor do Templo do Fogo não permite que o observador que está no Templo fixe o momento do nascer do Sol acima do horizonte.
Durante o trabalho de campo determinamos que o Templo do Fogo está alinhado aproximadamente na direção do solstício. Para um observador em pé no Templo do em Fogo em 22 de junho o Sol nasce sobre o ponto mais alto da parte leste do horizonte visível, enquanto em 22 de dezembro o Sol nasce no topo de uma pequena colina. Pode significar que o Solstício de Verão e Inverno eram fenômenos astronômicos importantes para os Georgianos que viveram no período da antiguidade. Assim, o Templo do Fogo foi alinhado de tal forma que duas vezes por ano, durante as cerimônias de culto, o Sol era visto nascendo sobre pontos designados no horizonte. Apenas duas vezes por ano os primeiros raios do Sol nascente cai sobre algum ponto do santuário, indicando o início da época de colheita ou semear as colheitas. Assim, a observação do aumento Sol nos dias do Solstício teve um importante significado prático para os antigos Georgianos, por ajudá-los a orientar-se no tempo e permitindo-lhes dividir o ano em duas partes. Esta é a principal importância astronômica do Templo do Fogo de Nekresi, embora este resultado justifique uma investigação mais aprofundada.
O próximo passo do projeto de pesquisa foi analisar os dados obtidos durante o trabalho de campo, o que levou a algumas novas conclusões.
Usando as coordenadas geográficas medidas de certos elementos estruturais do Templo do Fogo, bem como dados sobre os tamanhos desses elementos, determinamos a orientação das várias salas do complexo. Nossos cálculos mostraram que dois dos quartos do santuário central estavam orientados para nordeste e sudeste, devendo ser conhecidos como quartos nordeste e sudeste, respectivamente. Em particular, foi determinado que a sala nordeste foi alinhada com um ponto no horizonte com o azimute geodésico de A’ = 32º 40 . Enquanto isso, a sala sudeste estava aproximadamente alinhada com a ponto do nascer do Sol no dia do Solstício no meio do Inverno. Acreditamos que esta é mais uma evidência da funcionalidade astronômica do Templo do Fogo de Nekresi, que deveria ser renomeado como ‘Templo do Sol Nekresi’.
Acreditamos que os antigos Georgianos observaram o Solstício de Inverno da sala sudeste, e que ao longo do ano também observaram o aumento e configuração de certas estrelas brilhantes do nordeste, quartos noroeste e sudoeste. A orientação do Templo do Sol Nekresi indica que para o antigos Georgianos era o ponto zero da chave para determinar a época do Solstício de Inverno, já que este era o precursor para a semeadura de novas colheitas.
Outros corpos celestes e fenômenos, incluindo estrelas circumpolares, a ascensão heliacal de certas estrelas, a culminação da Lua, eclipses do Sol, etc., também poderiam ter sido observados a partir dos quartos do Templo do Sol. Com base em analogias etnográficas, sugerimos que dentro do Templo a religião e as observações astronômicas eram combinadas para permitir uma “interação” regular entre seres humanos e corpos celestes. Os povos antigos rezavam e conduziam observações acreditando que seus deuses os ajudariam pessoalmente e o país em geral, que a ordem do mundo permaneceria a mesma de sempre – que uma estação fria seria seguida por uma estação quente, que a semeadura das colheitas seria seguida pela abundante colheita, e assim por diante. A regularidade do movimento de corpos celestes e de vários fenômenos astronômicos tinham sua causa nas peculiaridades do sistema das antigas crenças e na necessidade prática associada à agricultura, ao cultivo de uvas e similares.
4. Dicussão
No início de 2008, o professor Clive Ruggles, Presidente da Comissão 41 da IAU, preparou e circulou um documento intitulado “Ancient and Historical Properties Relating to Astronomy”. A seção sobre ‘Características de Candidato na Europa’ inclui a seguinte entrada:
Geórgia: Templo do Fogo de Nekresi. Este templo pré-cristão, datado do século II – III d.C., toma a forma de um edifício retangular medindo c. 50 × 50m, com várias salas e corredores em torno de um espaço central onde há evidência de fogo intenso. O templo é aproximadamente alinhado com a direção do nascer do Sol no dia do Solstício de Verão, demonstrando uma ligação entre as crenças cultuais pré-cristãs e as observações astronômicas.
As descobertas arqueoastronômicas apresentadas na Seção 3, acima, justificam uma investigação mais aprofundada, mas o Templo do Fogo de Nekresi também requer um estudo adicional do ponto de vista arqueológico. Isso se aplica em particular para o santuário central e os quartos do nordeste e do sudeste. Olhando mais longe, num raio de 1,5 km do centro do Templo do Sol e nas direções dos pontos do horizonte com um azimute geodésico de 30º40′ e um azimute astronômico de −57º20′ podemos esperar encontrar artefatos que estão associados ‘geneticamente’ com o Templo do Sol, e não podemos excluir a possibilidade de que o Templo do Sol Nekresi é, de fato, apenas o centro da um complexo astronômico-religioso maior. Tal ponto de vista parece apropriado, dado que uma estrutura com provável significado religioso e astronômico foi descoberta a alguns quilômetros do Templo do Sol Nekresi, mas foi destruída durante as operações de construção.
5. Obervações Finais
Neste artigo, descrevemos os aspectos mais importantes revelado pela escavação arqueológica de um Templo de 1700 anos de idade na Geórgia Oriental. Também descrevemos os resultados de nossa investigação arqueoastronômica inicial deste sítio, e mostramos que este Templo foi orientado para os Solstícios de Verão e de Inverno. Com base em evidências arqueológicas e etnográficas sabemos que o culto ao Sol foi um elemento importante na cultura georgiana antiga, e concluímos que durante o segundo e terceiro séculos d.C. o Templo em Nekresi foi usado para observação do Sol e outras observações astronômicas. Sugerimos que em vez de ser conhecido como o ‘Templo do Fogo de Nekresi’ um nome mais apropriado seria o ‘Templo do Sol Nekresi’.
Esperamos que futuras investigações arqueoastronômicas no Templo do Sol Nekresi revelem novas evidências interessantes sobre as maneiras pelas quais os antigos Georgianos desenvolveram sua “visão de mundo” astronômica.
7. Agradecimentos
Os autores expressam sua gratidão aos revisores anônimos por seus valiosos comentários e a Wayne Orchiston pelos comentários úteis.
8. Referências
Aveni, A., 1997. Stairways to the Stars. Skywatching in Three Great Ancient Cultures. New York, John Wiley.
Bround, D., 1994. Georgian Antiquity: A History of Colchis and Transcaucasian Iberia, 550 BC – 562 AD. Oxford, Oxford University Press.
Chilashvili, L., 2000. Pagandom Sanctuaries of Nekresi. Tbilisi, State Museum of Georgia.
Heggie, D.C., 1981. Megalithic Science: Ancient Mathematics and Astronomy in North-West Europe. London, Thames and Hudson.
Iwaniszewski, S., 1994. The Evolution of Astronomy in Mesoamerica: The View from the Other Side of the Atlantic. Time and Astronomy at the Meeting of Two Worlds. Warszawa, Warsaw University.
Kaukhchishvili, S. (ed.), 1959. Kartlis Tskhovreba. Tbilisi, Sabchota Sakartvelo.
Ruggles, C., 1999. Astronomy in Prehistoric Britain and Ireland. New Haven, Yale University Press.
Ruggles, C. (ed.), 2008. Ancient and Historical Properties Relating to Astronomy. Document prepared by Commission 41 of the International Astronomical Union.
Sanikidze, T., 2002. Uplistsikhe: An Essay on the History of Georgian Architecture. Tbilisi, Universal.
Simonia, I., 2001. Little known aspects of the history of Georgian astronomy. Journal of Astronomical History and Heritage, 4(1), 59-73.
Simonia, I., and Simonia, Ts., 2005. Metal artifacts as a mirror of ancient Georgian astronomical world view. In Fountain, J.W., and Sinclair, R.M. (eds.). Oxford 5 Conference. Current Studies in Archaeoastronomy. Durham (North Carolina), Carolina Academic Press. Pp. 435-440.
Simonia, I., Ruggles, C., and Chugunava, R., 2008. ETHNOGRAPHIC AND LITERARY REFLECTIONS ON ANCIENT GEORGIAN ASTRONOMICAL HERITAGE. Journal of Astronomical History and Heritage, 11, 213-218.
Ω
Categorias:Traduções









